 |
产品导航 | |
 |
联系方式 | |
| 地址:江苏省启东市滨江大道1号 |
| 电话:0513-83110489 |
| 传真:0513-83316019 |
| 网址:www.qdjldq.com |
| 邮编:226600 |
| 邮箱:E-mail:qdjl@qdjldq.com |
| |
|
 |
防爆空调机器 |
|
Qidong Jiule Electric |
|
单元式防爆空调器
|
|
风冷(F型)防爆冷暖空调器(含H型恒温恒湿防爆空调器、G型管道整装式空调器、C级防爆空调器)技术参数
(续表) |
|
五、外形尺寸
吊装式室内机外形尺寸
BKDF(R、D)-12、20、25、32
|
|
|
| BKDF(R、D)-40、60、90、12 |
|
|
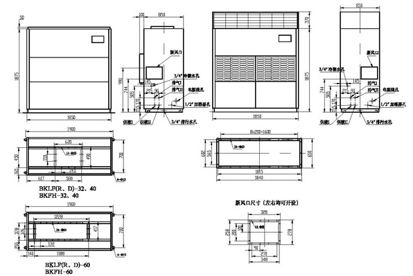
立式室内机外形尺寸
BKLF(R、D)-12、20、25(含BKFH-12、20、25) |
|
|
注:带风帽型无D、D1、E、F、G、H等参数,风帽高度为320mm,即整机高度增加320mm。
BKLF(R、D)-32、40、60,(含BKFH-32、40、60)带风帽型风帽高度为370mm,即整机高度增加370mm。 |
|
| |
|
| |
|
|
|