 |
产品导航 | |
 |
联系方式 | |
| 地址:江苏省启东市滨江大道1号 |
| 电话:0513-83110489 |
| 传真:0513-83316019 |
| 网址:www.qdjldq.com |
| 邮编:226600 |
| 邮箱:E-mail:qdjl@qdjldq.com |
| |
|
 |
防爆空调机器 |
|
Qidong Jiule Electric |
|
窗式防爆空调器
|
|
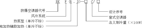
一、空调器的型号及意义 |
|
注:
设计序号分:
J——军用特种空调器;
B——船用特种空调器(室外采用铜管套铜翅片);
P——电源120V/60Hz;
SP——220V/50Hz(可不标,常规机组采用)。
例如:
BKFR-33C的意义为:热泵型窗式防爆空调器,名义制冷量3300W。
BKFRD-35C/JP的意义为:输入电源为120V/60Hz的热泵带辅助电加热型军用窗式防爆空调器,名义制冷量3500W。 |
二、防爆标志及含义 |
|
| |
三、技术参数 |
1、通用机型 |
 |
|
2、军用特种窗式防爆空调器 |
 |
|
|